
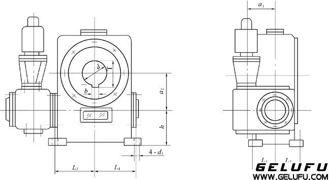
|
a
mm
|
I
|
Z1
|
Z2
|
D1
mm
|
安装尺寸mm
|
|||||||||||
|
t/min
|
KW
|
h
|
L1
|
L2
|
L3
|
L4
|
d1
|
d
|
b
|
T
|
||||||
|
250
|
80
|
1
|
80
|
80
|
660
|
11
|
Ⅱ
|
300
|
200
|
200
|
108
|
298
|
32
|
100
|
28
|
106.4
|
|
320
|
80
|
1
|
80
|
110
|
660
|
11
|
Ⅱ
|
320
|
200
|
200
|
200
|
300
|
32
|
105
|
28
|
111.4
|
|
360
|
93
|
1
|
93
|
95
|
880
|
7.5
|
Ⅰ
|
75
|
270
|
270
|
205
|
205
|
26
|
86
|
25
|
91.4
|
|
11
|
Ⅲ
|
250
|
225
|
225
|
260
|
310
|
24
|
86
|
24
|
93.2
|
||||||
|
79
|
1
|
79
|
100
|
880
|
11
|
Ⅰ
|
75
|
300
|
300
|
200
|
200
|
26
|
96
|
28
|
102.4
|
|
|
660
|
||||||||||||||||
|
750
|
16
|
112
|
32
|
125
|
||||||||||||
|
660
|
||||||||||||||||
|
360
|
104
|
1
|
104
|
95
|
880
|
11
|
1
|
75
|
270
|
270
|
203
|
203
|
20
|
82.5
|
19.3
|
87.4
|
|
450
|
65
|
1
|
65
|
126.5
|
750
|
25
|
1
|
350
|
280
|
280
|
240
|
240
|
39
|
132
|
36
|
140.4
|

|
第一级传动
|
第二级传动
|
总速比
i′
|
|||||||||||
|
a1
|
i1
|
Z1
|
Z2
|
D1
|
a2
|
i2
|
Z3
|
Z4
|
D3
|
转速/(r/min)
|
转矩/(N·m)
|
||
|
Ⅳ-A
|
140
|
20
|
2
|
40
|
56
|
280
|
20
|
2
|
40
|
105
|
1500
|
338
|
400
|
|
Ⅳ-B
|
140
|
20
|
2
|
40
|
56
|
280
|
25
|
2
|
50
|
105
|
1800
|
250
|
500
|
|
Ⅳ-C
|
160
|
20
|
2
|
40
|
64
|
320
|
24
|
2
|
48
|
124
|
1500
|
338
|
480
|
|
h
|
L1
|
L2
|
L3
|
L4
|
d
|
b
|
T
|
d1
|
|
|
Ⅳ-A
|
279
|
212.5
|
212.5
|
320
|
320
|
127
|
32
|
141.4
|
26
|
|
Ⅳ-B
|
|||||||||
|
Ⅳ-C
|
225
|
235
|
235
|
270
|
270
|
139.75
|
36
|
148.15
|
33
|
|
a/mm
|
i
|
大合模力
|
|||
|
/mm
|
/in
|
/kN
|
|||
|
265
|
70
|
1030(910)
|
40.5(36)
|
1330(1030)
|
|
|
1170
|
46
|
1716
|
|||
|
320
|
80
|
1050
|
42
|
1370
|
|
|
1170
|
46
|
1960
|
|||
|
360
|
93
|
1310
|
55
|
2890
|
|
|
1525
|
63.5
|
4220
|
|||
|
79
|
1400
|
55
|
2940
|
||
|
1900
|
75
|
6470
|
|||
|
2160
|
85
|
8430
|
|||
|
2500
|
100
|
||||
|
380
|
104
|
1525
|
63.5
|
5780
|
(590)
|
|
450
|
65
|
2500
|
100
|
12750
|
(1300)
|
|
140/280
|
400
|
1525
|
63.5
|
4220
|
(430)
|
|
140/280
|
500
|
1525
|
63.5
|
4220
|
(430)
|
|
160/320
|
480
|
1525
|
63.5
|
5780
|
(590)
|