QT塔机专用蜗轮减速机简介及安装尺寸
Www.Gelufu.Com 格鲁夫机械 2015-10-16 15:15:32
点击:
QT型塔机用蜗轮减速机用途
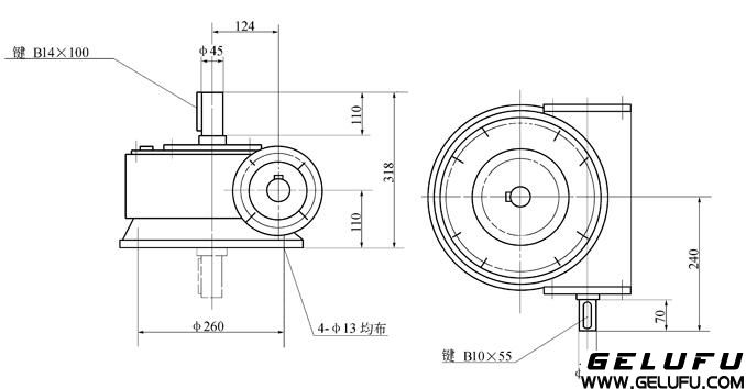
QT16A-7型蜗轮减速机主要用于QT16A型、QTZ25型等建筑塔机的回转机构。本减速器可正反运转,且具有自锁性。其结构紧凑,承载能力大,使用寿命长,使用环境温度为±40℃。
QT型塔机用蜗轮减速机主要技术参数
|
|
QT16A-7
|
|
|
124
|
|
|
23
|
27
|
32
|
|
|
8
|
7
|
6
|
|
|
23
|
27
|
32
|
|
|
1
|
|
|
QT181
|
|
|
181.5
|
|
|
6
|
7
|
8
|
|
|
45
|
40
|
35
|
|
|
45
|
40
|
35
|
|
|
1
|
|
|
QT16A-9
|
|
|
124
|
|
|
23
|
27
|
32
|
|
|
8
|
7
|
6
|
|
|
23
|
27
|
32
|
|
|
1
|
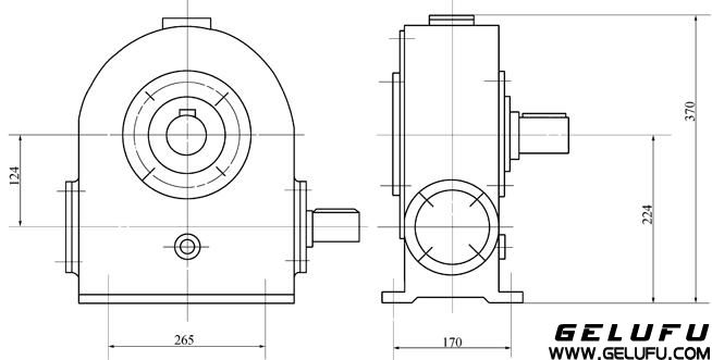
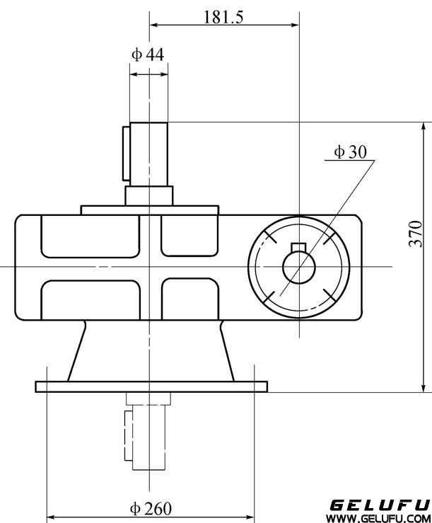
QT型塔机用蜗轮减速机外形及安装尺寸


