行星擺線減速機是一種應用行星傳動原理,采用擺線針輪齧合,設計、結構新穎
的減速機構。這種減速機在絕大多數情況下已替代兩級、三級普通圓柱齒輪減速機及圓柱蝸
杆減速機,在軍工、航天、冶金、礦山、石油、化工、船舶、輕工、食品、紡織、印染、製
藥、橡膠、塑料、及起重運輸等方麵得到日益廣泛的應用。
一、產品特點
1.傳動比大。一級減速時傳動比為1/6--1/87。兩級減速時傳動比為1/99--1/7569。
2.傳動效率高。由於齧合部位采用了滾動齧合,一般一級傳動效率為90%--95%。
3.結構緊湊,體積小,重量輕。體積和普通圓柱齒輪減速機相比可減小2/1--2/3。
4.故障少,壽命長。主要傳動齧合件使用軸承鋼磨削製造,因此機械性能與耐磨性能均
佳,又因其為滾動摩擦,因而故障少,壽命長。
5.運轉平穩可靠。因傳動過程中為多齒齧合,所以使之運轉平穩可靠,噪聲低。
6.拆裝方便,容易維修。
7.過載能力強,耐衝擊,慣性力矩小,適用於起動頻繁和正反轉運轉的特點。
8.標記方法及其使用條件。
二、技術規格
1、機型號
按傳動比分為:一級、二級、三級。
一級減速器型號
X天減標準:0、1、2、3、4、5、6、7、8、9、10、11、12。
X8000係列天減標準:8075、8095、8105、8115、8125、8130、8135、8145、8160、8165、
8170、8175、8180、8185、8190、8195。
B一機部標準:85、100、12、15、18、22、27、33、39、45、55、65
B上海標準:10A、11、12、13、14、15、16、17、18、19
B化工部標準:0、1、2、3、4、5、6、7、8
二級減速器型號。
X天減標準:00、20、42、53、63、74、84、85、95、106、117、128。
X8000係列天減標準:8075DA、8130DB、8130DC、8135DB、8135DC、8145DB、8145DC、
8160DA、8160DB、8160DB、8165DA、8165DB、8165DC、8170DA、8170DB、8170DC、8175DA、
8175DB、8175DC、8180DB、8185DB、8190DB、8195DB。
B一機部標準:1812、2215、2715、3322、3922、4527、5527、6533。
B上海標準:120A、131A、141A、152、153、163、174、184A、195。
B化工部標準:20、31、41、52、53、63、74、84。
按結構形式分為臥式、立式、雙軸型、電機直聯型四種結構型式
2、傳動比
一級減速的傳動比有:9、11、17、21、23、25、29、35、43、47、59、71、87。
二級減速的傳動比有:99、121、187、289、319、385、473、493、595、649、731、841、
1003、1225、1505、1849、2065、2537、3045、3481、5133。
三級傳動比有:5841~6585030
三、標記方法及其使用條件。

四、各係列機型號對照表

五、天減X係列擺線針輪減速機
XW、XWD型減速機外形及安裝尺寸


XL、XLD型減速機外形及安裝尺寸


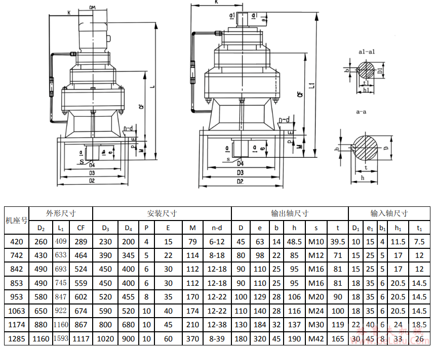
XWE、XWED型減速機外形及安裝尺寸

XLE、XLED型減速機外形及安裝尺寸

XWS、XWSD型減速機外形及安裝尺寸


XLS、XLSD型減速機外形及安裝尺寸

接盤型減速機外形及安裝尺寸
