MB係列行星靡擦機械無級變速機的簡介及特點
簡介及特點
MB係列無級變速機,經過多年來在實踐使用中,證明在眾多的無級變速機家族中,具有獨特風格,由於該係列產品設計結構合理、操作方便、傳動穩定等特點,所以廣泛應用於食品機械、化工機械、印刷機械、造紙機械、紡織機械、橡膠機械、塑料機械、陶瓷機械、製藥機械及各種工作生產流水線中的要求工藝參數多變和速度連續變化的場合,還具備了在新產品試製過程中探求機器 佳的工作速度。
由此可見,采用了無級變速傳動有利於簡化變速傳動方案,提高勞動生產力和產品質量,合理地利用動力和節約能源,亦具有以下特點:
1、調速精度高,調速精度在0.5-1轉,這是目前同類無級變速機中僅有的。
2.調速範圍大:調速範圍R=5即輸出轉速可在輸入轉速的1/1.45至1/7.25之間任意變化,並且本機能與各種擺線針輪減速機、蝸輪減速機、齒輪減速機及各種增速機直聯式組合使用,而得到極低或極高的變速範圍。
3.高強度:在加衝擊負載或機器逆轉時本機能可靠、精確地傳動、無後座力,具有足夠的強度。
4.本係列減速機的所有磨擦副部件都采用GCr15軸承鋼經嚴格的熱處理,精密的加工、研磨、接觸與潤滑性能良好,所以運轉平穩,噪音低、使用壽命長。
5.同軸結構:體積少、重量輕。
MB係列行星靡擦機械無級變速機的外形及傳動變速原理

MB係列行星摩擦式機械無級變速器主要由壓緊的主動裝置、摩擦傳動機構、調速控製機構組成。
帶錐度的主動輪(1)和壓盤(2)被一組碟形彈簧(3)壓緊,輸入軸(4)與主動輪用鍵聯接,而組成壓緊的主動裝置。
一組帶錐度的行星摩擦輪(5)內側夾在壓緊的主動輪和壓盤之間,外側夾在帶錐度的固定環(6)和調速凸輪(7)之間,而組成摩擦副;當壓緊的主動裝置運轉時,摩擦輪就做純滾動,由於固定環和調速凸輪不動,因此,摩擦輪在自轉的同時作公轉運轉,通過行星摩擦輪的中心軸及滑塊軸承(8)而帶動行星架(9)轉動。
轉動手輪(10)帶動調速凸輪改變角向位置的同時,調速凸輪的端麵曲線經平麵彈子夾(11)和固定凸輪(12)的端麵曲線作用,使調速凸輪產生軸向移動,從而均勻改變調速凸輪和固定環之間的間隔,使錐度行星摩擦輪產生徑向移動。 後均勻地改變了行星摩擦輪與主動輪、壓盤及固定環、調速凸輪摩擦處的工作半徑,實現穩定的無級變速
MB係列行星靡擦機械無級變速機結構圖及型號標記
MB係列行星靡擦機械無級變速機基型的型號規格
MB係列行星摩擦機械無級減速機基型配一級齒輪減速機的型號規格
MB係列行星摩擦機械無級減速機基型配蝸輪減速機的型號規格
MB係列行星摩擦機械無級減速機基型配一級擺線針輪減速機
MB係列行星摩擦機械無級減速機基型配二級擺線針輪減速機

MB係列行星摩擦機械無級減速機各國型號對照表

MBW、MBWY基型甲板臥式圖及安裝尺寸

MBL(F)、MBL(F)Y基型法蘭式圖及安裝尺寸

MBW—C、MBWY—C基型配一級齒輪型臥式外形安裝尺寸

MBL(F)—C、MBL(F)Y—C基型配一級齒輪型法蘭式

MBWY-CT陶機專用減速機外型及安裝尺寸

MB-WJ中空軸蝸輪減速機組合型的外型及安裝尺寸

MBY-XW型行星摩擦機械無級減速機外型及機型號

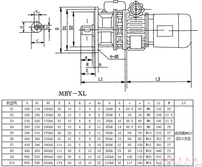
MB係列行星摩擦機械無級減速機MBY-XL外型及機型號

MB係列行星摩擦機械無級減速機MBY-XWE外形及機型號

MB係列行星摩擦機械無級減速機MBY-ZLE外型及機型號

MB型無級變速機的安裝使用及潤滑
安裝、使用及潤滑
一、安裝:
1、輸出軸在加裝聯軸器、皮帶輪、鏈輪等時,請勿重擊。應用輸出軸外端螺孔,旋入螺釘,壓入聯接件。
2、在基礎上安裝底座式無級變速機時應校準該機的安裝中心線標高,水平度及相聯部件的相關尺寸,校準傳動軸的同軸度不應超過聯軸器允許的範圍。
3、立式MB無級變速機可任意角度安裝,油位必須超過較高一側的油標中心線。
二、使用:
1、在使用前,無級變速機和減速機應分別加入指定的潤滑油。
2、MB無級變速機工作環境的溫度不超過40攝氏度,工作油溫表麵不得超過70攝氏度。如較高的輸入轉數和新機使用時會出現略高的溫升,經飽和運轉80小時後,溫升逐漸降低,此後,溫升高於環境溫度20℃—25℃並保持穩定溫升。
3、MB無級變速機必須在開機情況下方可調速,否則將損壞零件。
4、無級變速機出廠時,調速限位螺釘已經調整在極限位置,不得任意調整,以免損壞零件。
5、無級變速機不得超過額定轉矩T使用。
6、無級變速機適用於正反兩向運轉。
7、如更換電機,應保留原裝油封的電機法蘭,以免潤滑油滑入電機。
三、潤滑:
1、MB無級變速機專用潤滑油必須使用Ub-1或Ub-3牽引液,在任何情況下,要確保牽引液按油標定量提供。變速器在工作500小時後,應更換牽引液,再工作1000小時更換一次,以後每隔2000工作小時左右更換一次牽引液。
2、MB一級齒輪部使用脂潤滑,在出廠時已加入二硫化鉬潤滑脂,一般每工作12~18個月更換一次潤滑脂。
3、蝸輪蝸杆減速器采用機械油潤滑,一般采用50#~70#工業齒輪油,每半年檢查一次潤滑油質量,對長期連續使用的蝸杆減速器,則應經常檢查,發現氧化變質,粘度不夠的潤滑油應及時更換。
4、(1)擺線減速機2#、3#、4#、42#采用脂潤滑。
(2)單級5#、雙級53#以上的擺線減速機采用油浴潤滑。