SJ,MA蝸輪絲杆升降機產品介紹及性能
SJA,MA係列蝸輪絲杆升降機,又稱螺旋升降機廣泛應用於機械、冶金、建築、水利設備等行業,具有起升、下降及借助輔件推進、翻轉及各種高度位置調整等諸多功 能.MA蝸輪絲杆升降機是一種基礎起重部件,具有結構緊湊、體積小、重量輕、動力源廣泛、無噪音、安裝方便、使用靈活、功能多、配套形式多、可靠性高、 使用壽命長等許多 點。可以單台或組合使用,能按一定程序準確地控製調整提升或推進的高度,可以用電動機或其他動力直接帶動,也可以手動。它有不同的結構形式和裝配形式,且提升高度可按用戶的要求定製。該裝置可以自鎖。
性能特點:
推力範圍:0.5-30噸
–行程可至8m,得考慮絲杠的穩定性及導向機構
–工作製30%,如果負載率較小,則可以適當提高工作製
–升降速度小於1500mm/min(23mm/s),特殊情況可以達到46mm/s
–效率小於33%,有自鎖功能,大減速比L1絕對自鎖
–精度定位,附加反齒隙裝置精度可至0.05mm
–絕對同步,同一電機可同時驅動多台螺旋升降機,機械同步
–可配編碼器,限位開關,防塵罩,安全螺母,減速電機,普通電機,伺服電機,不鏽鋼材料等
–操作維護簡單,噪音低
對於SJ係列和MA係列螺旋升降機我們有兩種形式分類
Model A:絲杠運動螺旋升降機
Model B:螺母運動螺旋升降機
根據不同的應用場合特點:選擇不同型式螺旋升降機
螺旋升降機有多種安裝方式如:
垂直、水平、等任意角度安裝;輸入方式有
單軸輸入、雙軸輸入、法蘭輸入等。
需要足夠空間
附件:
-絲杆防護罩T
-防塵罩B
-纖維開關FCM/FCP,電位計,編碼器
-安全螺母MSA,防磨損,墜落
-絲杆擋塊螺母SN
-齒隙抵消裝置RMG
-防旋轉裝置AR
螺母運動式螺旋升降機原理為絲杆與蝸輪固定,驅動螺母上下直線運動,運行中絲杆旋轉。
附件:
-安全螺母SBC
-防塵罩BSJA係列蝸輪絲杆升降機 MA係列蝸輪絲杆升降機,又稱螺旋升降機廣泛應用於機械、冶金、建築、水利等領域。
SJ蝸輪絲杆升降機安裝圖紙






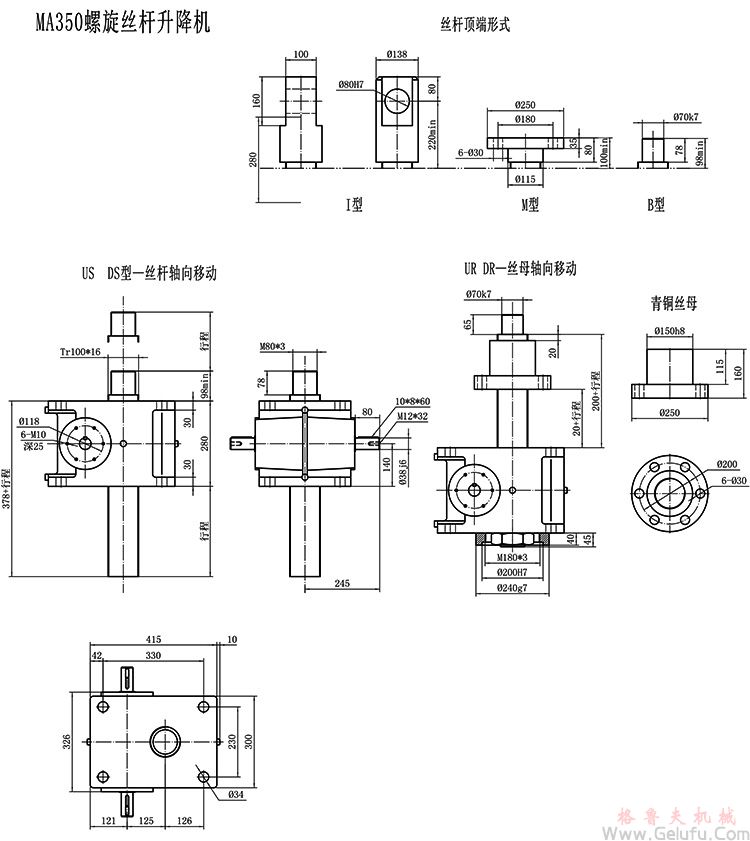
MA蝸輪絲杆升降機安裝圖紙







