CS方型蝸輪絲杠升降機性能特點及其應用
CS方型蝸輪絲杠升降機是將蝸輪減速器和絲杠螺母副等巧妙地結合在一起組成的一個運動單元。它既可以單獨使用,又可以象拚積木似地通過聯接件快捷組合,實現物體的升降、往複、翻轉等運動。
CS方型蝸輪絲杠升降機作為一種功能部件已被廣泛應用於各行各業。例如:機械行業的傳動裝置、數控執行裝置;冶金行業的軋輥運動裝置、煉鋼廠鋼包提升和翻轉裝置以及人所不能及的場所的運動傳遞裝置;鐵路車輛行業的車輛舉升架,大型柔性夾緊、轉位工裝、焊接機器人等;建築行業的舉升裝置、大型門窗自動或遙控開啟裝置;水利等行業用閘門的開啟裝置、雷達及太陽能遙感裝置;醫療器械、升降舞台及汽車製造業的舉升裝置;以及航空航天、國防軍事的傳動裝置等等。事實上,蝸輪絲杠升降機幾乎可以在任何需要實現機械位移傳動的地方使用。
CS方形蝸輪絲杠升降機采用獨特的方形殼體,使其結構十分緊湊,體積小,重量輕,安裝極其方便靈活。它各麵均可以安裝,安裝方式多樣,多台使用時位置緊湊、整齊、美觀。方形殼體材料有鋁合金和鑄鐵兩種(一般25KN以下規格選用鋁合金材料,也可按用戶要求定製)。
CS方形蝸輪絲杠升降機具有噪音小,可靠性高,動力源廣泛,功能多樣,使用壽命長等 點。可以單台也可以組合使用,能按一定程序準確控製調整提升或推進的高度;可以用電機或其他動力源直接帶動,也可以手動;有多種裝配方式可以選擇,提升高度可按用戶要求定製。升降機在撤消動力時能自鎖。另外,標準配置的“N型”CS係列方形蝸輪絲杠升降機輸入軸每轉1圈,即提升1㎜;“L型”的輸入軸每轉1圈,即提升0.25㎜。換算極其方便。
CS方形蝸輪絲杠升降機承載能力有2.5KN,5KN,10KN,25KN,50KN,150KN,250KN,350KN,500KN等(即0.25~50T)。一般 高輸入轉速為1500 r/min, 大提升速度1.5 m/min。
CS方型蝸輪絲杠升降機形式、規格的表示
機體規格分為:CS2.5~CS500共9種,提升力依次為2.5KN~500KN。
傳動比:N 型——普通速比;L 型——慢速速比。
結構形式:A 型——絲杠作軸向移動,不旋轉;B 型——螺母作軸向移動,絲杠作旋轉運動。
絲杠接頭類型:A型結構形式的絲杠頭部分為:1型(圓柱),2型(法蘭),3型(螺紋),4型(扁頭),5型(開口)共五種;B型結構形式的絲杠頭部分為:1型(圓柱),0型(無接頭)共二種。
附加要求(可選):A型結構形式的附加要求有:滾珠絲杠型(B)、帶防轉裝置(P)、帶防護罩(S)共三種;B型結構形式的附加要求有:滾珠絲杠型(B)、帶防護罩(S)共二種。
型號表示方法:

CS方型蝸輪絲杠升降機主要性能參數表

①部分規格也可用滾珠絲杠。 ②A型、梯形絲杠時的 大許用值; 當使用B型或滾珠絲杠時許用值可能更高。 ③指100mm絲杠長度的情況下。
CS方型蝸輪絲杠升降機絲杠長度與極限負荷關係圖表
升降機要素之一的絲杠承受壓力時,梯形絲杠和滾珠絲杠的許用彎曲力可以用如下彎曲圖表校驗。
Fall=FK·fK/SK;Fall:作用於絲杠上的 大許用壓載荷,單位KN;FK:絲杠的臨界彎曲力,根據無支撐長度L,按下表確定;fK:根據絲杠軸承類型和支撐方式給定的修正參數,按下圖確定;SK:安全係數,根據具體情況定,一般在2-6之間選擇。

上表中“Tr”為梯形絲杠,“GQ”為滾珠絲杠。

B 型結構升降機的絲杠轉速與長度關係
對於B型結構的升降機,在絲杠很細長時,就需要計算絲杠的 大許用轉速,如需要的轉速高於計算值,則需要選擇更大規格的絲杠,同時驗算升降機的扭矩、負載和功率。
nall=0.8·nkb·fkb;nall:絲杠的 大許用轉速,單位rmp;fall:根據絲杠的支撐方式和共振源確定的修正參數,按下圖確定;

上表中“Tr”為梯形絲杠,“GQ”為滾珠絲杠。

驗算時,絲杠轉速=輸入轉速/i,其中i為升降機速比。滾珠絲杠規格:A型結構標準的滾珠絲杠規格和承載能力如下表,其他螺距及其承載能力的數據根據需要提供。如需其他螺距和承載能力的滾珠絲杠可以選用B型結構。

滾珠絲杠副效率:η90%
CS2.5,梯形絲杠14×4提升力和提升速度表

CS5,梯形絲杠18×4提升力和提升速度表

CS10,梯形絲杠20×4提升力和提升速度表

CS25,梯形絲杠30×6提升力和提升速度表

CS50,梯形絲杠40×7提升力和提升速度表

CS150,梯形絲杠60×9提升力和提升速度表

CS250,梯形絲杠80×10提升力和提升速度表

CS350,梯形絲杠100×10提升力和提升速度表

CS500,梯形絲杠120×14提升力和提升速度表

CS方型蝸輪絲杠升降機A型結構聯結尺寸


CS方型蝸輪絲杠升降機B型結構聯結尺寸

CS方型絲杆升降機伸縮防護套規格尺寸(PB):(附加要求“S”標配)

CS方型絲杆升降機螺旋防護套規格尺寸(SP)

CS方型絲杆升降機電機聯接座(MA)

CS方型絲杆升降機配電機型號尺寸(MT)

CS方型絲杆升降機配彈性聯軸器(FC)

CS方型絲杆升降機多台聯動配傘齒輪箱(MGB)

CS方型絲杆升降機配縱向耳軸座(TAL)

CS方向絲杆升降機配縱向耳軸座(TAL)

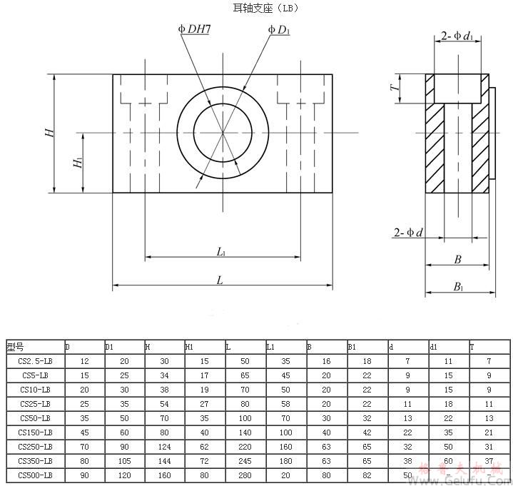
CS方型絲杆升降機配耳軸支座(LB)

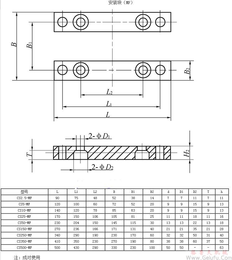
CS方型絲杆升降機配安裝塊(MF)

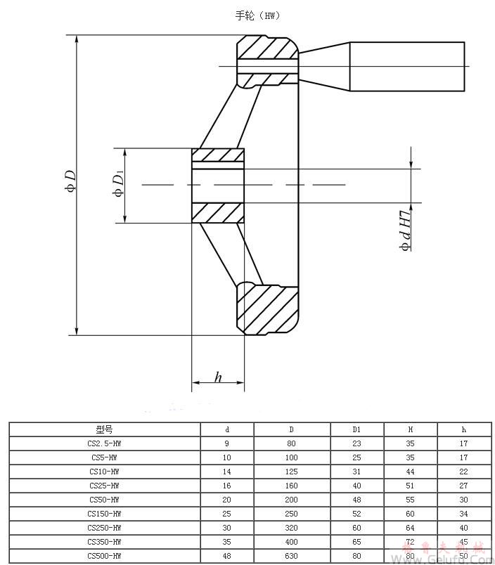
CS方型絲杆升降機配手輪(HW)

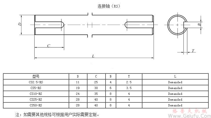
CS方向絲杆升降多台聯動連接軸(RS)

CS方型蝸輪絲杠升降機選型與計算
選型與計算
確定載荷:
根據需要的提升力、傳動速度和安裝位置初步選擇合適的升降機型號及其速比,參見“表CS3-1、主要性能參數表” ,並初步選好配套的驅動部件以確定整個係統的安裝位置和空間,參見“四、可選附件” 。無特殊要求時,配套附件的編號僅在配套升降機型號後加部件標識,如:“CS10”升降機的配套縱向耳軸座(部件標識:TAL)為“CS10-TAL” 。
確定工作方向:
根據要求的工作方向確定輸入軸(蝸杆)的旋轉方向。蝸杆的旋轉方向與工作絲杠(或螺母)的伸縮方向類似於齒輪和齒條的關係,具體如“表CS3-6、聯接尺寸表-A型結構”的示意圖中的箭頭所示。如多台組合使用,還需注意傘齒輪箱的旋轉方向。
確定行程:
初選行程後,按“表CS3-3、絲杠長度與極限負荷的關係圖表”校驗推杆的臨界彎曲力,如壓載荷過大,則需增大絲杠規格。通常是增大升降機規格(絲杠隨之增大);在升降機載荷足夠的情況下也可僅增大絲杠規格(需與廠家聯係定製)。
確定工作速度:
根據工作周期和負載情況,按“表CS3-2、提升力和提升速度表”校驗 大許用速度,如速度過高,則需選擇更大規格的升降機,在升降機載荷足夠的情況下也可僅增大絲杠的導程(需與廠家聯係定製)。對於B型結構的升降機,還需校驗絲杠的許用轉速,參見“表CS3-4、B型結構升降機的絲杠轉速與長度關係圖表”,如速度過高,則需增大絲杠規格(需與廠家聯係定製),或增大升降機規格。
確定驅動扭矩:
TM=(F·P)/(2·π·η·i)+T0
TM:升降機需要的的驅動轉矩,單位Nm;
F:絲杠上的實際載荷,單位KN;
P:絲杠的導程,單位mm;(參見“CS3-1主要性能參數表”)
η:絲杠升降機的總效率;(參見“CS3-1主要性能參數表”)
i:升降機的傳動比;(參見“CS3-1主要性能參數表”)
T0:空載轉矩,單位Nm;(參見“CS3-1主要性能參數表”)
按“表CS3-2、提升力和提升速度表”校驗相應工況下的許用扭矩。自鎖力矩、啟動轉矩和加速轉矩一般比持續運行時的力矩要高(通常為計算值的1.3~1.5倍),多台組合使用時還需考慮中間傳動部件的效率。
確定驅動功率:
PM=(TM·n)/9549
PM:升降機需要的的驅動功率,單位KW;
TM:升降機需要的的驅動轉矩,單位Nm;
n:升降機需要的的輸入轉速,單位rpm;
按“表CS3-2、提升力和提升速度表”校驗相應工況下的許用功率。通常選擇電機的功率為計算值的約1.5倍。
注意事項:
在完全確定升降機規格及其附件之前,需要注意:
盡量減少傳動部件和縮短傳動軸;
每個傳動部件的載荷均須足夠,避免用傘齒輪箱的一個齒輪傳遞過多的轉矩;
明確各個升降機絲杠的動作方向是否正確,升降機及傘齒輪箱的位置是否合理;
必要時采用一個限製力矩的聯軸器來保護整個係統;
全部確認後按照樣本 後的“CS係列升降機訂購向導”的示例填寫“升降機訂單” 。
CS升降機訂購向導
| 步驟 | 選擇內容 | 選項 | 結果(例) | |||||||||
| 1 | 機體規格:CS+所需提升力,如CS50型,提升力為50KN | CS2.5 | CS5 | CS10 | CS25 | CS50 | CS150 | CS250 | CS350 | CS500 | CS50 | |
| 2 | 傳動比:N或L | N:普通速比,可省略不標, 每輸入1圈升降1㎜ | L:慢速比,需標注, 每輸入1圈升降0.25㎜ | L | ||||||||
| 3 | 結構形式:A或B | A:絲杠作軸向移動,不旋轉(否則影響提升量) | B:螺母作軸向移動,絲 杠作旋轉運動 | A | ||||||||
| 4 | 絲杠接頭類型:按3的結果區分 | 結構形式A | 1:圓柱 | 2:法蘭 | 3:螺紋 | 4:扁頭 | 5:開口 | 3 | ||||
| 結構形式B | 1:圓柱 | 0(無) | ||||||||||
| 5 | 行程: | 根據實際需要,單位:㎜ | 500 | |||||||||
| 6 | 附加要求:默認為Tr絲杠,可多項選 | 結構形式A | B:滾珠絲杠型 | P:帶防轉裝置 | S:帶防護罩 | S | ||||||
| 結構形式B | B:滾珠絲杠型 | S:帶防護罩 | ||||||||||
| 以下配件需單獨購買 | ||||||||||||
| 7 | 可選附件: 根據需要選擇,可多項選擇, 不要則不選 (其中“PB:風箱式防護套”如與升 降機配套購買,在“附加要求”中注S即可,也 可單獨購買) | PB:風箱式防護套 | 在“機體規格”後加代號,如CS50-PB-行程 | 按附加 要求 | ||||||||
| SP:螺旋防護套 | 在“機體規格”後加代號,如CS50-SP-行程 | (不需要) | ||||||||||
| MA:電機聯接座 | 在“機體規格”後加代號,如CS50-MA | CS50-MA | ||||||||||
| MT:電機 | 在“機體規格”後加代號,如CS50-MT | CS50-MT | ||||||||||
| FC:彈性聯軸器 | 在“機體規格”後加代號,如CS50-FC | CS50-FC | ||||||||||
| MGB:傘齒輪箱 | 在“機體規格”後加代號,如CS50-MGB | (不需要) | ||||||||||
| TAL:縱向耳軸座 | 在“機體規格”後加代號,如CS50-TAL | (不需要) | ||||||||||
| TAT:橫向耳軸座 | 在“機體規格”後加代號,如CS50-TAT | (不需要) | ||||||||||
| LB:耳軸支座 | 在“機體規格”後加代號,如CS50-LB | (不需要) | ||||||||||
| MF:安裝塊 | 在“機體規格”後加代號,如CS50-MF | (不需要) | ||||||||||
| HW:手輪 | 在“機體規格”後加代號,如CS50-HW | (不需要) | ||||||||||
| RS:連接軸 | 在“機體規格”後加代號,如CS50-RS | (不需要) | ||||||||||
| 8 | 特殊要求:(備注) | 根據實際情況,必要時提供圖紙 | 外殼黑色 | |||||||||
根據以上訂貨示例選取升降機,並需要配套的電機聯接座、電機和聯軸器,則訂單如下:
| 升降機訂單(例) | |||
| 序號 | 訂貨內容 | 數量 | 備注 |
| 1 | CS50L-A-3-500-S | 10 | 外殼漆成黑色 |
| 2 | CS50-MA | 10 | 外殼漆成黑色 |
| 3 | CS50-MT | 10 | |
| 4 | CS50-FC | 10 | |