JRSS蝸輪絲杆升降機產品結構


|
2
|
產品代碼
RSS--蝸輪絲杆升降機
|
|
3
|
輸入軸聯接方式
D—帶電機法蘭
無代碼—基本型
|
|
4
|
規格用蝸輪副
中心距表示100
|
|
5
|
傳動比
12
|
|
6
|
安裝方式代碼
A、B-基本型
C、D-止旋構造型
E、F-活動螺母構造型
詳見“安裝方式”
|
|
7
|
絲杆頭部型式代碼
R型(圓柱式)
H型(栓孔式)
S型(螺紋式)
T型(頂板式)
|
|
8
|
絲杆行程300mm
共有100、200、300、400、500、600、800、1000mm8種規格,根據使用情況選擇,如需要其它長度行程,也可定做
|
|
9
|
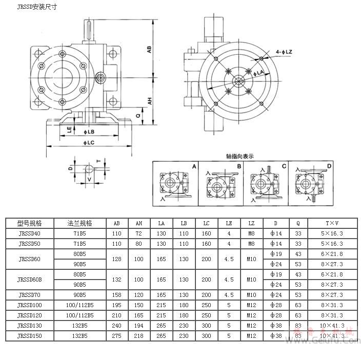
軸指向
JRSS係列共有A、B、C三種
JRSSD係列共有A、B、C、D四種
詳見“軸指向表示”
|
|
10
|
護管
P-帶護管
無代-不帶護管
|


|
使用工況
|
平穩載荷,負荷慣性小
|
輕微衝擊載荷,負荷慣性中等
|
強衝擊負荷,負荷慣性大
|
|
使用係數
|
1.0~1.3
|
1.3~1.5
|
1.5~3.0
|
|
聯動台數
|
1
|
2
|
3
|
4
|
5-8
|
|
使用係數
|
1
|
0.95
|
0.9
|
0.85
|
0.8
|
|
型號
|
絲杆直徑
|
護管長
|
絲杆頭部S型
|
絲杆頭部H型
|
絲杆頭部R型
|
絲杆頭部T型
|
||||
|
總長=
L+SC
|
牙長=
總長-SD
|
總長=
L+HB+HD
|
牙長=
總長-HB-HE
|
總長=
L+RB
|
牙長=
總長-RC
|
總長=
L+TE
|
牙長=
總長-TF
|
|||
|
JRSS35
|
Tr26×5
|
L+55
|
L+150
|
總長-40
|
L+20+165
|
總長-20-55
|
L+165
|
總長-55
|
L+135
|
總長-25
|
|
JRSS40
|
Tr32×6
|
L+60
|
L+180
|
總長-50
|
L+25+195
|
總長-25-65
|
L+195
|
總長-65
|
L+160
|
總長-30
|
|
JRSS50
|
Tr38×6
|
L+60
|
L+180
|
總長-50
|
L+25+195
|
總長-25-65
|
L+195
|
總長-65
|
L+160
|
總長-30
|
|
JRSS60
|
Tr46×8
|
L+65
|
L+220
|
總長-60
|
L+32+255
|
總長-32-95
|
L+225
|
總長-65
|
L+200
|
總長-40
|
|
JRSS60B
|
Tr52×8
|
L+65
|
L+220
|
總長-60
|
L+32+255
|
總長-32-95
|
L+225
|
總長-65
|
L+210
|
總長-50
|
|
JRSS70
|
Tr65×10
|
L+75
|
L+260
|
總長-80
|
L+35+295
|
總長-35-115
|
L+250
|
總長-70
|
L+235
|
總長-55
|
|
JRSS100
|
Tr75×12
|
|
L+300
|
總長-80
|
L+44+355
|
總長-44-135
|
L+295
|
總長-75
|
L+285
|
總長-65
|
|
JRSS120
|
Tr80×12
|
|
L+360
|
總長-100
|
L+54+410
|
總長-54-150
|
L+355
|
總長-95
|
L+330
|
總長-70
|
|
JRSS130
|
Tr90×14
|
|
L+435
|
總長-120
|
L+64+480
|
總長-64-165
|
L+430
|
總長-115
|
L+390
|
總長-75
|
|
JRSS150
|
Tr100×16
|
|
L+495
|
總長-150
|
L+70+545
|
總長-70-200
|
L+485
|
總長-140
|
L+445
|
總長-100
|

|
型號
|
JRSS35
|
JRSS40
|
JRSS50
|
JRSS60
|
JRSS60B
|
JRSS70
|
JRSS100
|
JRSS120
|
JRSS130
|
JRSS150
|
|
絲杆底徑
|
20.5
|
25
|
31
|
37
|
43
|
54
|
62
|
67
|
74
|
82
|









|
使用環境
|
室內無雨水侵入的場所
|
|
周圍空氣
|
灰塵為一般工廠狀況
|
|
環境濕度
|
-15℃~40℃
|
|
相對濕度
|
85%以下
|
|
油品潤滑
潤滑油(脂)選用表
注:合成鈣鈉基潤滑脂溫度範圍-20℃~100℃
潤滑油(脂)注油量(L)
|
||||||||||||||||||||||||||||||||||||||
|
故障情況
|
故障原因
|
解決辦法
|
|
振動
|
原動機與升降機連接不當 | 調整至適當位置,重新正確固緊 |
| 蝸輪副齒部磨耗或損傷 | 更換蝸輪副 | |
| 軸承磨損 | 更換軸承 | |
| 螺栓鬆脫 | 固緊螺栓 | |
|
雜音
|
軸承損傷或間隙過大 | 更換軸承 |
| 蝸輪副齧合不良 | 修整齒麵或更換蝸輪副 | |
| 潤滑油(脂)過少 | 補加潤滑油(脂) | |
|
漏油
|
油封唇口磨損 | 更換油封 |
| 油封檔軸頸磨損 | 更換輸入軸或蝸輪 | |
|
蝸輪副齒麵
磨損過快
|
超負荷運轉 | 調整至適當負荷 |
| 潤滑油(脂)不符合要求 | 按油品潤滑更換潤滑油(脂) | |
| 潤滑油(脂)過少 | 補加潤滑油(脂) | |
| 未按規定適時換油,潤滑油劣化 | 按規定要求適時換油 | |
| 運轉溫度過高 | 采取合適措施,降低環境溫度 | |
|
絲杆副齒麵
磨損過快
|
超負荷運轉 | 調整至適當負荷 |
| 潤滑脂幹枯或變質 | 去汙擦淨,重新加潤滑脂 | |
| 有橫向載荷 | 加導向裝置 |