TF系列平行轴斜齿轮减速机、输入功率及许用转矩
TF系列平行轴斜齿轮减速机具有体积小、重量轻、传递扭矩大、起动平稳、低损耗、安装方式多样,输入输出灵活等特点。非常适合在空间受限制的情况下使用。并能与各种减、变速机组合,适用于各种不同条件要求的场所。
输入功率及许用转矩

输出转速:0.1~752r/min
输出转矩:高至17000Nm
电机功率:0.18~200Kw
安装形式:底脚安装 法兰安装 轴装安装
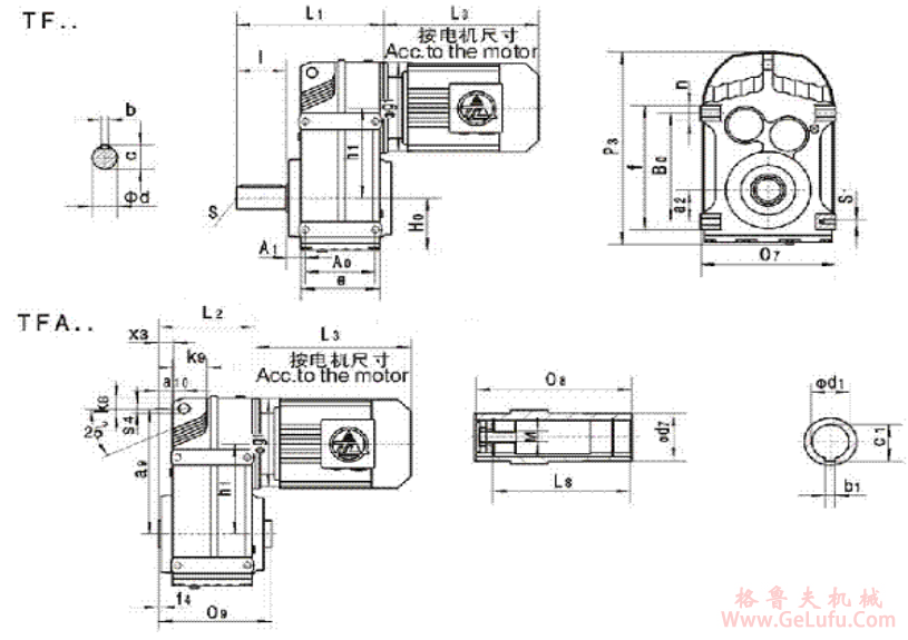
TF38、TFA38、TF48、TFA48、TF58、TFA58、TF68、TFA68、TF78、TFA78、TF88、TFA88、TF98、TFA98、TF108、TFA108、TF128、TFA128、TF158、TFA158、系列平行轴斜齿轮减速机的安装尺寸



TFAZ38、TFAZ48、TFAZ58、TFAZ68、TFAZ78、TFAZ88、TFAZ98、TFAZ108、TFAZ128、TFAZ158、系列平行轴斜齿轮减速机的安装尺寸



TFF38、TFAF38、TFF48、TFAF48、TFF58、TFAF58、TFF68、TFAF68、TFF78、TFAF78、TFF88、TFAF88、TFF98、TFAF98、TFF108、TFAF108、TFF128、TFAF128、TFF158、TFAF158、系列平行轴斜齿轮减速机的安装尺寸

TF系列平行轴斜齿轮减速机的安装尺寸(型号为TF..S)
