
DJM单节膜片联轴器简介:
DJM单节膜片联轴器拆装迅速,具有很高的装配重复性。
DJM单节膜片联轴器无需润滑,无噪音,磨损。无滑动、摩擦、转动部件,可降低能量损失。
DJM单节膜片联轴器结构简单,重量轻。
DJM单节膜片联轴器不需维护,停机时肉眼可检查故障。
DJM单节膜片联轴器良好的环境适应性,可高温下运转。
DJM单节膜片联轴器转动精度高,可靠性高,寿命长。
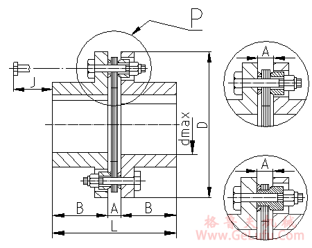
DJM单节膜片联轴器安装尺寸图:

| 规格 | 公称扭矩 N.M | 许用转速 rpm | 重量 kg | 转动惯量 kg.cm2 | dmax mm | D | A | B | L | J | 许用补偿量 | |
| 轴向 mm | 角向 | |||||||||||
| 00 | 9.8 | 20000 | 0.14 | 1.74 | 20 | 57 | 4.9 | 20 | 44.9 | 10 | ±0.8 | 1° |
| 01 | 33 | 20000 | 0.6 | 8 | 22 | 68 | 6.1 | 26 | 58.1 | 13 | ±0.8 | 1° |
| 02 | 90 | 20000 | 1.1 | 24 | 32 | 81 | 6.6 | 26 | 58.6 | 16 | ±1.0 | 1° |
| 03 | 173 | 18000 | 1.7 | 48 | 35 | 93 | 8.4 | 29 | 66.4 | 22 | ±1.2 | 1° |
| 04 | 245 | 15000 | 2.5 | 80 | 42 | 104 | 11.2 | 34 | 79.2 | 20 | ±1.4 | 1° |
| 05 | 420 | 13000 | 4.3 | 224 | 50 | 126 | 11.7 | 42 | 95.7 | 25 | ±1.6 | 45′ |
| 06 | 772 | 12000 | 6.9 | 440 | 60 | 143 | 11.7 | 48 | 107.7 | 28 | ±1.8 | 45′ |
| 07 | 1270 | 10000 | 11.3 | 1080 | 75 | 168 | 16.8 | 58 | 132.8 | 23 | ±2.0 | 45′ |
| 08 | 2080 | 10000 | 16.7 | 2080 | 82 | 194 | 17.0 | 64 | 145 | 30 | ±2.2 | 45′ |
| 09 | 3328 | 9000 | 22.7 | 3520 | 95 | 214 | 21.6 | 77 | 175.6 | 22 | ±2.4 | 45′ |
| 10 | 4900 | 8000 | 35.4 | 7200 | 108 | 246 | 23.9 | 89 | 201.9 | 23 | ±2.6 | 45′ |
| 11 | 6368 | 8000 | 52.0 | 12800 | 118 | 276 | 27.2 | 102 | 231.2 | 40 | ±2.8 | 45′ |
| 12 | 8900 | 6300 | 57.2 | 14400 | 110 | 276 | 17.5 | 128 | 273.5 | ±1.8 | 30′ | |
| 13 | 15280 | 5000 | 77.3 | 22200 | 135 | 308 | 19.0 | 160 | 339 | ±2.0 | 30′ | |
| 14 | 25410 | 4700 | 123 | 40800 | 155 | 346 | 21.5 | 182 | 385.5 | ±2.0 | 30′ | |
| 15 | 37130 | 4300 | 156 | 64800 | 165 | 375 | 24.0 | 198 | 420 | ±2.0 | 30′ | |
| 16 | 47120 | 3900 | 191 | 100200 | 180 | 410 | 29.5 | 214 | 457.5 | ±2.2 | 30′ | |
| 17 | 57000 | 3500 | 245 | 150000 | 190 | 445 | 29.5 | 225 | 479.5 | ±2.2 | 30′ | |
| 18 | 63186 | 3500 | 329 | 186600 | 205 | 470 | 31.0 | 248 | 527 | ±2.4 | 30′ | |
| 19 | 82590 | 3200 | 394 | 288000 | 230 | 512 | 32.0 | 278 | 588 | ±2.4 | 30′ | |
| 20 | 102100 | 2800 | 530 | 448200 | 255 | 556 | 32.5 | 305 | 642.5 | ±2.5 | 30′ | |
| 21 | 126070 | 2450 | 619 | 609600 | 265 | 588 | 34.0 | 318 | 670 | ±2.7 | 30′ | |
| 22 | 146350 | 2150 | 683 | 831600 | 275 | 630 | 34.5 | 332 | 698.5 | ±2.8 | 30′ | |
| 23 | 173830 | 2000 | 791 | 1070400 | 290 | 655 | 35.5 | 348 | 731.5 | ±3.0 | 30′ | |