RJ系列RackJack齿条升降机的结构及性能
•RackJack是PowerBase的延伸产品,是一种齿条和齿轮相结合的同步升降机构,可以通过电机直接驱动齿轮做回转运动同时带动齿条进行直线运动。几乎没有动力损失,可以使机器效率达到最大化。
•构造简单,故障率低,容易维修。
•蜗杆升降器在升降器内实现减速,因此升降速度缓慢,适用于精密升降或重物的升降。RackJack是由齿轮和齿条直接连接,可以进行高速直线运动,使用附带制动的减速电机,可以精密控制,并且比蜗杆升降器价格低,更经济。
2、系列RackJack齿条升降机的种类
Rack jack—般分为普通型和洁净室型。普通型多应用于一般产业设备;洁净室型多应用于半导体、LCD/PDP生产设备、医疗、食品生产设备上,可以根据洁净室的等级要求进行多种后处理加工。
■RJ系列
•是基本的分离型型号,规格有1050,根据输出轴的不同方向可分为3种规格。
•用气缸做驱动,自身没有减速,可以实现快速移动。
■4S系列
•是基本的组合型型号,规格有RJ10-4S50-4S,可以根据使用要求进行尺寸和行程设定。
•可以承受大负载。
■4SB系列
•在4S系列的驱动轴上安装齿轮箱,可以与电机直接连接。
•在不使用齿轮或链轮时,可以用于洁净室环境。
■4SH系列
•在RJ-4S系列的驱动轴上安装涡轮减速器,可以与电机直接连接。
•通过蜗轮减速机减速后,可以获得不同升降速度,可以齿条升降机保持自锁,也可以匹配:三相电机、单相电机、直流电机和伺服电机等
3、 系列Rack Jack齿条升降机的用途

4、RJ系列RackJack齿条升降机内部结构图

5、 RJ系列Rack Jack齿条升降机部件材料及表面处理

6、 RJ系列Rack Jack齿条升降机选型曲线图

■ 中间支撑选择方法

■ 中间支撑选择方法

■ 运用坐标图的造型方法

7、 系列Rack Jack齿条升降机用电机选择及速度计算
■ 电机选择
--负重:1200kgf
--速度4m/min
P =功率 M =载重 V =速度 N =效率 g = 9.81
P = M xg x V/(N x 1000) P = 1200 x9.81 x 0.0667/(0.8x 1 000)
P = 0.98KW, 那么电机应选择比这个功率高的型号。
■ 速度计算
例) 使用RJ20-4S型号,速度为4m/min,电机的减速比是1 /60, 使用直齿轮。
计算式:
v = 1750 x 1/60 x 39/48x 0.169= 4.0m/min
Rack Jack 驱动轴的直齿轮选用Z= 48, 电机侧直齿轮选用Z= 39(0.169是轴回转一次上升距离(mm)换算成m的数值)
8、 系列Rack Jack齿条升降机和Power Base的区别

9、 RJ系列Rack Jack齿条升降机组装注意事项
A:为了保证精确操作和水平升降,Rack jack的组装面要行机械加工然后再组装;安装框架结构时,要先焊接再进行组装面加工,最后进行组装。
B:在粉尘比较多的环境下,使用防尘套阻止灰尘进入齿轮箱内部。
C:600mm行程以上的Rack Jack附带辅助导向,可以使Rack jack在升降时减小晃动。
D:Rack Jack的轴间距存在偏差,偏差范围在土0.1mm之间,如果安装孔的位置不符合时,可以用橡胶捶调整安装孔位置,然后进行组装。如果不调整就进行组装,这样就会使传输轴扭曲,导致配合失衡,影响产品精度和使用寿命,组装时需要特别注意。
E:如果Rack jack组装时齿条的竖直度没有调节好,会加快齿条和驱动齿轮的磨损,缩短寿命,齿轮的摩擦系数变高,电机的效率变低。这时需要把上下面法兰连接螺栓稍微松开一点,然901 后进行升降测试,之后再把组装螺栓紧固。
10、 RJ系列RackJack齿条升降机使用方法


11、 RJ系列Rack Jack齿条升降机参数表

12、 RJ系列Rack Jack齿条升降机布局图

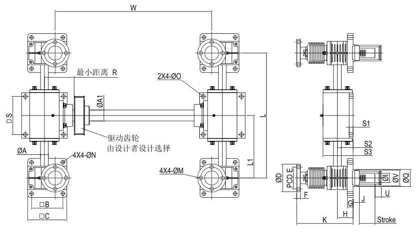
12、 RJ系列Rack Jack齿条升降机安装尺寸图


| A | A1 | B | C | D | E | F | G | H | I | J | M | N | O | Q | R | S | S1 | S2 | S3 | V | U | |
| RJ10-4SC | 25 | 35 | 100 | 125 | 88 | 70 | 12 | 18 | 50 | 30 | 20 | 12 | 12 | 12 | 55 | 95 | 122 | 12.5 | 50 | 96 | 50 | 20 |
| RJ20-4SC | 30 | 40 | 125 | 150 | 105 | 80 | 13 | 20 | 55 | 40 | 15 | 14 | 14 | 12 | 100 | 122 | 16 | 55 | 105 | 70 | 20 | |
| RJ30-4SC | 40 | 50 | 160 | 190 | 127 | 95 | 15 | 25 | 70 | 50 | 16 | 16 | 12 | 145 | 150 | 20 | 70 | 135 | 89 | 30 |
基本高度(K)
| K | |||||||
| 行程 | 50ST | 100ST | 150ST | 200ST | 250ST | 300ST | >300ST |
| RJ10-4SC | 180 | 195 | 210 | 210 | 230 | 230 | 150+(stroke/4) |
| RJ20-4SC | 200 | 210 | 210 | 230 | 250 | 250 | 170+(stroke/4) |
| RJ30-4SC | 260 | 270 | 270 | 290 | 310 | 310 | 230+(stroke/4) |
注:1、基本高度(K)最小值为表中参数,可以根据设计需要加大K值。
2、行程(Stroke)、L、L1、W由设计者选定。
3、表中的(R)值为驱动齿轮与齿轮箱之间的最小距离。
4、驱动齿轮的种类及尺寸由设计者设计选择。