格鲁夫温馨提醒:您如需要CAD图纸或3D模型请联系格鲁夫在线客服或者在咨询反馈栏目留下您的信息和所需要的具体型号,我们会及时发送给您!

减速机相关

YD变极多速三相异步电动机

Www.Gelufu.Com 格鲁夫机械 2018-02-14 22:46:38  点击:

YD系列变极多速三相异步电动机特点(H80~280mm)

YD系列(IP44)变极多速三相异步电动机是Y系列三相异步电动机的电气派生系列,是取代JD02、JD03系列的更新换代产品。
该电动机是利用改变定子绕组的联结方法以改变电动机的级数来达到变速的。电动机具有可随负载的不同要求而有级地变化功率和转速的特性,从而可达到与负载的合理匹配,这对简化变速系统和节约能源有很大意义。因此它广泛应用于机床、矿山、冶金、纺织等工业部门的各式 、组合、专用金属切削机床以及需要变速的各种传达室动机构。
电动机的电压、频率、安装及外形尺寸、绝缘等级、防护等级、冷却方式均与Y系列相同,安装尺寸符合IEC标准要求。
电动机具有体积小、重量轻、性能 良、运行可靠、控制系统简单等特点。与JD02系列变极多速电动机相比,全系列效率提高4.65%,功率因数提高5.3%,堵转转矩提高25.2%,噪声振动有较大降低,并且在功率等级、起动性能与力能指标方面与 同类变极多速电动机的 水平相近。
电动机中心高H80~280mm,转速有双速、三速和四速三种,极数比有4/2、6/4、8/4、8/6、12/6、6/4/2、8/4/2、8/6/4和12/8/6/4等九种。
工作条件   额定电压为380V;额定频率为50Hz;海拔高度不超过1000m;周围冷却空气允许温度为-20~+40℃;工作方式为S1(连续);绝缘等级为B级;防护等级为IP44。
型号含义
YD系列变极多速三相异步电动机型号标记
一、结构简介
YD系列电动机结构与Y系列(IP44)相同。有三种基本结构型式如下。
B3:机座带底脚,端盖上无凸缘的结构型式;
B5:机座不带底脚,端盖上带大于机座的凸缘的结构型式。
B35:机座带底脚,端盖上带大于机座的凸缘的结构型式。
表1  YD系列(IP44)常用结构型式及适用的机座号范围
YD系列变极多速三相异步电动机特点(H80~280mm)
YD系列变极多速三相异步电动机机座号与速比、功率对应关系表(H80~280mm)
YD系列(IP44)的机座号与速比、功率对应关系表
YD系列变极多速三相异步电动机技术数据(H80~280mm)
YD系列变极多速三相异步电动机技术数据(H80~280mm)
YD系列变极多速三相异步电动机噪声限值(H80~280mm)
YD系列变极多速三相异步电动机噪声限值(H80~280mm)
YD系列变极多速三相异步电动机引出线(H80~280mm)
YD系列变极多速三相异步电动机引出线(H80~280mm)
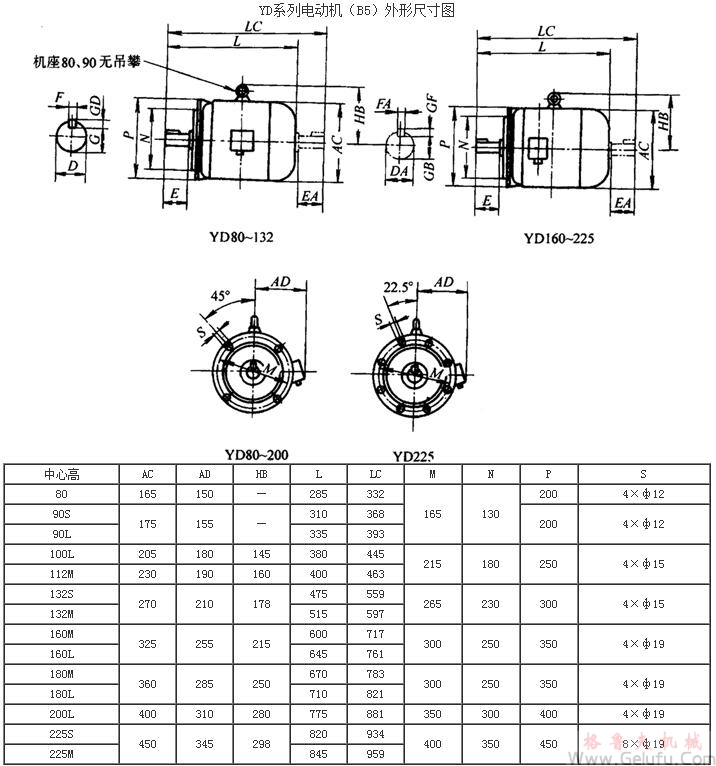
YD系列变极多速三相异步电动机外形尺寸(H80~280mm)
YD系列变极多速三相异步电动机外形尺寸(H80~280mm)
YD系列变极多速三相异步电动机外形尺寸(H80~280mm)
YD系列变极多速三相异步电动机外形尺寸(H80~280mm)
YD系列变极多速三相异步电动机外形尺寸(H80~280mm)
关键词: 变极多速电机
在线留言
    提交留言
    在线客服