Page 51 - 升降齿条|高速丝杆升降机在线选型样本|
P. 51

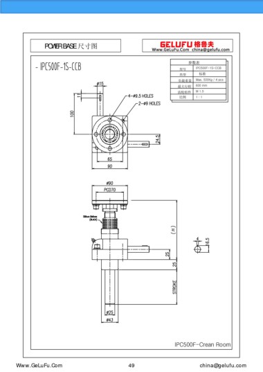
POWER BASE 尺寸图



                                                                                      参数表
                                                                                  型号      IPC500F-1S-CCB
                                                                                  类型       标准
                                                                                  负载重量    Max. 500Kg / 4 pcs
                                                                                  最大行程    600 mm
                                                                                 齿轮组件     M 1.5
                                                                                  比例      1 : 1




































































                                                                                IPC500F-Crean Room



        Www.GeLuFu.Com                                     49                               china@gelufu.com
   46   47   48   49   50   51   52   53   54   55   56