Page 54 - 升降齿条|高速丝杆升降机在线选型样本|
P. 54

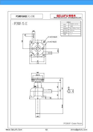
POWER BASE 尺寸图



                                                                                      参数表
                                                                                          IPC900F-1S-CC
                                                                                  型号
                                                                                  类型       标准
                                                                                  负载重量    Max. 900Kg / 4 pcs
                                                                                  最大行程    1300 mm
                                                                                 齿轮组件     M 1.5
                                                                                  比例      1 : 1





































































                                                                                  IPC900F-Crean Room


        Www.GeLuFu.Com                                     52                               china@gelufu.com
   49   50   51   52   53   54   55   56   57   58   59