Page 48 - 升降齿条|高速丝杆升降机在线选型样本|
P. 48

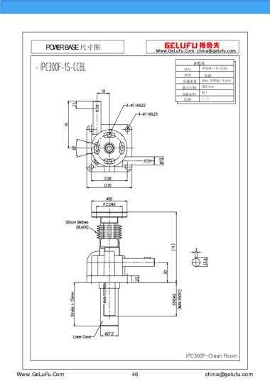
POWER BASE 尺寸图



                                                                                      参数表
                                                                                  型号      IP300F-1S-CCBL
                                                                                  类型       标准
                                                                                  负载重量    Max. 300Kg / 4 pcs
                                                                                  最大行程    350 mm
                                                                                 齿轮组件     M 1
                                                                                  比例      1 : 1




































































                                                                                   IPC300F-Crean Room


        Www.GeLuFu.Com                                     46                               china@gelufu.com
   43   44   45   46   47   48   49   50   51   52   53