Basic HTML Version
Table of Contents
View Full Version
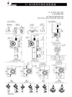
Page 8 - SJ升降机样本|MA丝杆升降机选型|SJ升降机选型|MA升降机安装图纸|SJ升降机参数|MA蜗轮升降机选型|SJ螺杆升降机样本|MA升降机手册|SJ MA系列蜗轮丝杆升降机在线样本
P. 8
3
4
5
6
7
8
9
10
11
12
13