Basic HTML Version
Table of Contents
View Full Version
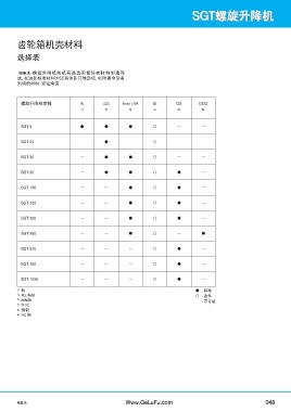
Page 49 - 格鲁夫SGT螺旋丝杆升降机选型手册技术样本
P. 49
44
45
46
47
48
49
50
51
52
53
54