Page 9 - 升降齿条|高速丝杆升降机在线选型样本|
P. 9
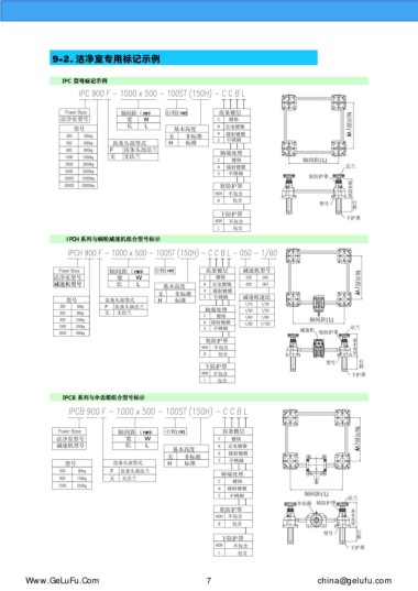
9-2. 洁净室专用标记示例
IPC 型号标记示例
轴间距(mm) 行程(mm) 齿条镀层
洁净室型号 宽 W 镀铬
长 L 无电镀镍 轴间距(W)
型号 基本高度
无 非标准 镭射镀膜
齿条头部型式 H 标准 不锈钢
F 齿条头部法兰 轴端处理
无 无法兰
镀铬 轴间距(L)
镭射镀膜 法兰
不锈钢
软防护罩
基
软防护罩 本
不包含 高
度
包含
型号 行
程
下防护罩 下护罩
不包含
包含
IPCH 系列与蜗轮减速机组合型号标示
轴间距(mm) 行程(mm) 齿条镀层 减速机型号
洁净室型号 宽 W 镀铬
减速机型号
减速机型号 长 L 基本高度 无电镀镍 轴间距(W)
无 非标准 镭射镀膜
型号 齿条头部型式 H 标准 不锈钢 减速机速比
F 齿条头部法兰 轴端处理
无 无法兰
镀铬
镭射镀膜 轴间距(L)
不锈钢 减速机 软防护罩 法兰
软防护罩 基
本
不包含 高
包含 度
型号 行
下防护罩 程
不包含 下护罩
包含
IPCB 系列与伞齿箱组合型号标示
轴间距(mm) 行程(mm) 齿条镀层
洁净室型号 宽 W 镀铬 轴间距(W)
减速机型号 长 L 无电镀镍
基本高度
无 非标准 镭射镀膜
型号 齿条头部型式 H 标准 不锈钢
F 齿条头部法兰
轴端处理
无 无法兰
镀铬
镭射镀膜
轴间距(L)
不锈钢
法兰
伞齿箱 软防护罩
软防护罩 基
不包含 本
高
包含 度
型号 行
下防护罩 程
不包含 下护罩
包含
Www.GeLuFu.Com 7 china@gelufu.com

