Page 66 - 升降齿条|高速丝杆升降机在线选型样本|
P. 66

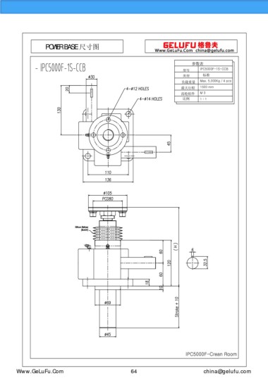
POWER BASE 尺寸图



                                                                                      参数表
                                                                                  型号      IPC5000F-1S-CCB
                                                                                  类型       标准
                                                                                  负载重量    Max. 5,000Kg / 4 pcs
                                                                                  最大行程    1500 mm
                                                                                 齿轮组件     M 3
                                                                                  比例      1 : 1




































































                                                                                    IPC5000F-Crean Room


        Www.GeLuFu.Com                                     64                               china@gelufu.com
   61   62   63   64   65   66   67   68   69   70   71