Page 60 - 升降齿条|高速丝杆升降机在线选型样本|
P. 60

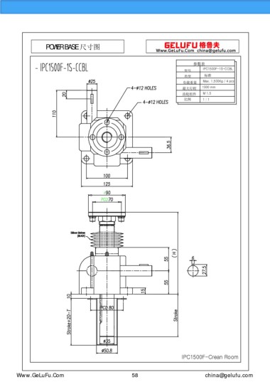
POWER BASE 尺寸图



                                                                                      参数表
                                                                                           IPC1500F-1S-CCBL
                                                                                  型号
                                                                                  类型       标准
                                                                                  负载重量     Max. 1,500Kg / 4 pcs
                                                                                  最大行程    1300 mm
                                                                                 齿轮组件      M 1.5
                                                                                  比例      1 : 1




































































                                                                                 IPC1500F-Crean Room


        Www.GeLuFu.Com                                     58                               china@gelufu.com
   55   56   57   58   59   60   61   62   63   64   65