Page 28 - 升降齿条|高速丝杆升降机在线选型样本|
P. 28

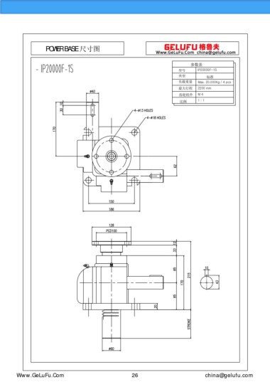
POWER BASE 尺寸图



                                                                                     参数表
                                                                                型号      IP20000F-1S
                                                                                类型          标准
                                                                                负载重量    Max. 20,000Kg / 4 pcs
                                                                                最大行程    2200 mm
                                                                                齿轮组件    M 4
                                                                                比例      1 : 1







































































        Www.GeLuFu.Com                                     26                               china@gelufu.com
   23   24   25   26   27   28   29   30   31   32   33