FQDX3系列部分回转阀门减速机手动装置简介及尺寸
Www.Gelufu.Com 格鲁夫机械 2015-05-15 10:30:46
点击:
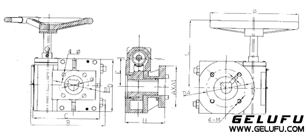
该产品与气动装置联合使用,是一种90°回转驱动装置,适用于蝶阀、球阀、旋塞阀等类型阀门。实现手动与气动互换驱动。产品共有4个型号。


|
技 术 参 数
|
||||||
| 型号 |
QDX3-F38
|
QDX3-F54
|
QDX3-F8
|
QDX3-F78A
|
||
| 速比Nm |
38:1
|
54:1
|
80:1
|
78;1
|
||
| 输入力矩Nm |
60
|
60
|
75
|
120
|
140
|
200
|
| 输出力矩 |
550
|
550
|
620
|
1200
|
2000
|
3500
|
| 旋转行程 |
90°
|
90°
|
90°
|
90°
|
90°
|
90°
|
| 限位调整 |
±5°
|
±5°
|
±5°
|
±5°
|
±5°
|
±5°
|
| 蝶阀参配DN |
200
|
200
|
250
|
350
|
400
|
500
|
| 球阀参配DN |
150
|
150
|
150
|
200
|
250
|
300
|
| 气缸型号 |
GTX.83-92
|
GTX.110-127
|
GTX.160
|
GTX.210
|
GTX.254-255
|
|
|
连 接 尺 寸
|
||||||
| A×A1 |
103×70
|
102×102
|
110×110
|
130×130
|
156×156
|
163×163
|
| D1 |
70
|
102
|
102
|
140
|
165
|
165
|
| 4-φ |
4-φ9
|
4-φ12
|
4-φ12
|
4-φ18
|
4-φ22
|
4-φ22
|
| 标准轴孔 |
22.2
|
32
|
38
|
48
|
60
|
76
|
| 2×平键×90°b |
2×8
|
2×10
|
2×10
|
2×14
|
2×18
|
2×18
|
| D4 |
70
|
102
|
102
|
140
|
165
|
165
|
| 4-M |
4-M8
|
4-M10
|
4-M10
|
4-M16
|
4-M20
|
4- M 20
|
| 手轮 |
φ200
|
φ200
|
φ250
|
φ300
|
φ400
|
φ600
|
|
外 形 尺 寸
|
||||||
| B |
191
|
234
|
311
|
360
|
||
| C |
156
|
199
|
279
|
327
|
||
| D |
125
|
176
|
234
|
278
|
||
| E |
65.5
|
85.5
|
123
|
132.5
|
||
| H |
80
|
80
|
86
|
100
|
120
|
125
|
| L |
195
|
195
|
225
|
233
|
277
|
360
|
| 重量Kg |
13kg
|
17kg
|
22kg
|
36kg
|
||
提交留言