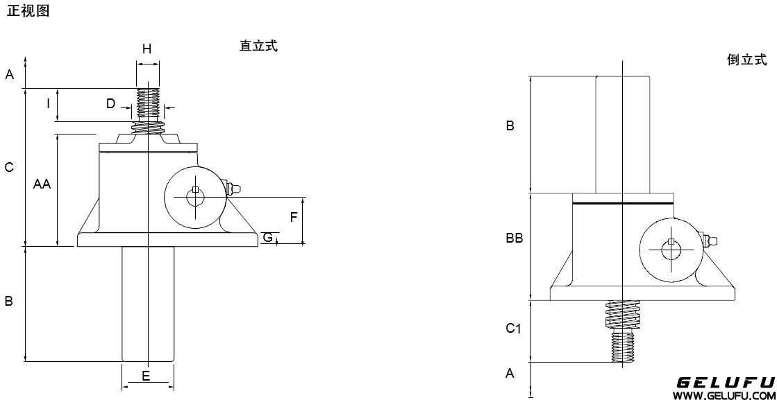
E梯形丝杆升降机安装尺寸图
1.2.1 丝杆运动式



1.2.1 尺寸
|
直立式 |
E2625 |
E2501 |
E1802 |
E1805 |
E1810 |
E1820 |
E1830 |
E1850 |
E18100 |
|
|
E2624 |
E2500 |
E1801 |
E1804 |
E1809 |
E1819 |
E1829 |
E1849 |
E18099 |
||
|
5 |
10 |
25 |
50 |
100 |
200 |
300 |
500 |
1000 |
||
|
A |
视要求确定冲程 |
|||||||||
|
B |
A + 9 |
A + 10 |
A + 5 |
A - 5 |
A + 3 |
A - 1 |
A + 15 |
A +13 |
A +3 |
|
|
C |
95 |
125 |
145 |
185 |
200 |
265 |
325 |
390 |
560 |
|
|
C1 |
40 |
45 |
55 |
65 |
80 |
95 |
115 |
150 |
260 |
|
|
øD |
16 |
20 |
30 |
40 |
55 |
65 |
95 |
120 |
160 |
|
|
øE |
26.7 |
33.4 |
48.3 |
60.3 |
73 |
89 |
115 |
141 |
194 |
|
|
F |
26 ± 0.13 |
40 ± 0.13 |
45 ± 0.13 |
60 ± 0.13 |
60 ± 0.13 |
85 ± 0.13 |
105 ± 0.13 |
120 ± 0.13 |
150 ± 0.13 |
|
|
G |
10 |
10 |
13 |
14 |
16 |
20 |
30 |
32 |
40 |
|
|
H |
M10 x 1.5 |
M12 x 1.75 |
M20 x 2.5 |
M24 x 3 |
M36 x 4 |
M48 x 5 |
M72 x 4 |
M100 x 4 |
M125 x 4 |
|
|
I |
20 |
24 |
30 |
35 |
40 |
55 |
65 |
90 |
125 |
|
|
J |
120 |
150 |
180 |
230 |
280 |
300 |
380 |
460 |
580 |
|
|
K |
60 |
75 |
90 |
115 |
140 |
150 |
190 |
230 |
290 |
|
|
øL |
10 h8 |
14 h8 |
16 h8 |
19 h8 |
25 h8 |
28 h8 |
35 h8 |
40 h8 |
45 h8 |
|
|
M |
3 x 3 x 18 |
5 x 5 x 25 |
5 x 5 x 25 |
6 x 6 x 32 |
8 x 7 x 40 |
8 x 7 x 40 |
10 x 8 x 50 |
12 x 8 x 56 |
14 x 9 x 70 |
|
|
øN |
9 |
11 |
13.5 |
18 |
22 |
26 |
39 |
51 |
51 |
|
|
O |
110 |
130 |
110 |
150 |
190 |
210 |
260 |
300 |
620 |
|
|
P |
55 |
65 |
55 |
75 |
95 |
105 |
130 |
150 |
310 |
|
|
Q |
85 |
100 |
80 |
115 |
145 |
150 |
190 |
200 |
510 |
|
|
R |
42.5 |
50 |
40 |
57.5 |
72.5 |
75 |
95 |
100 |
255 |
|
|
S |
- |
- |
165 |
205 |
225 |
275 |
365 |
535 |
530 |
|
|
T |
- |
- |
65 |
75 |
75 |
105 |
140 |
225 |
205 |
|
|
U |
- |
- |
135 |
170 |
180 |
215 |
295 |
435 |
210 |
|
|
V |
- |
- |
50 |
57.5 |
52.5 |
75 |
105 |
175 |
150 |
|
|
W |
23.82 |
31.75 |
43.26 |
55.58 |
66 |
66 |
95.25 |
135 |
190.5 |
|
|
+ 0.076 |
+ 0.076 |
+ 0.025 |
+ 0.050 |
+ 0.060 |
+ 0.070 |
+ 0.130 |
+ 0.070 |
+ 0.076 |
||
|
- 0.000 |
- 0.000 |
- 0.025 |
- 0.000 |
- 0.000 |
- 0.000 |
- 0.000 |
- 0.000 |
- 0.000 |
||
|
X |
27 |
35 |
27.5 |
35 |
44 |
44 |
56 |
66 |
88 |
|
|
AA |
64 |
90 |
103.5 |
138 |
146.5 |
195 |
235 |
275 |
405 |
|
|
BB |
64 |
78 |
95.5 |
122 |
130.5 |
179 |
235 |
275 |
405 |
|
螺纹端和法兰端的升降机,直立式和倒立式收缩尺寸相同。 螺母运动式升降机(参考1.3)的外壳尺寸与丝杆运动式的升降机相同。 尺寸如有变更,恕不另行通知。
1.3.1 直立式

|
UE2626 |
UE2502 |
UE1803 |
UE1806 |
UE1811 |
UE1821 |
UE1831 |
UE1851 |
UE18101 |
|
|
载荷(kN) |
5 |
10 |
25 |
50 |
100 |
200 |
300 |
500 |
1000 |
|
A |
AA + 40 |
AA + 44 |
AA + 60 |
AA + 80 |
AA + 100 |
AA + 100 |
AA + 180 |
AA + 200 |
AA + 250 |
|
B |
16 |
16 |
25 |
30 |
50 |
65 |
85 |
100 |
125 |
|
C |
64 |
90 |
103.5 |
138 |
146.5 |
195 |
235 |
275 |
405 |
|
D |
34 |
0 |
0 |
0 |
28 |
24 |
40 |
63 |
128 |
|
øE |
10 |
12 |
20 |
25 |
35 |
45 |
75 |
90 |
125 |
|
F |
25 |
35 |
40 |
65 |
75 |
75 |
140 |
150 |
175 |
|
G |
10 |
12 |
15 |
20 |
25 |
25 |
35 |
50 |
60 |
|
H |
60 |
80 |
90 |
115 |
160 |
185 |
230 |
280 |
380 |
|
I |
4 x ø9 |
4 x ø11 |
4 x ø13.5 |
4 x ø18 |
4 x ø22 |
4 x ø26 |
6 x ø26 |
6 x ø33 |
6 x ø45 |
|
øJ |
25 |
35 |
40 |
55 |
80 |
90 |
125 |
160 |
210 |
|
øK(PCD) |
42 |
57 |
65 |
85 |
120 |
135 |
175 |
220 |
295 |
1.3.1 倒立式

|
DE2626 |
DE2502 |
DE1803 |
DE1806 |
DE1811 |
DE1821 |
DE1831 |
DE1851 |
DE18101 |
|
|
载荷(kN) |
5 |
10 |
25 |
50 |
100 |
200 |
300 |
500 |
1000 |
|
A |
AA + 40 |
AA + 44 |
AA + 60 |
AA + 80 |
AA + 100 |
AA + 100 |
AA + 180 |
AA + 200 |
AA + 250 |
|
B |
16 |
16 |
25 |
30 |
50 |
65 |
85 |
100 |
125 |
|
C |
64 |
90 |
95.5 |
122 |
130.5 |
179 |
235 |
275 |
405 |
|
D |
12 |
10 |
14 |
18 |
26.5 |
25 |
25 |
35 |
105 |
|
E |
64 |
90 |
95.5 |
122 |
130.5 |
203 |
275 |
313 |
458 |
|
øF |
10 |
12 |
20 |
25 |
35 |
45 |
75 |
90 |
125 |
|
G |
25 |
35 |
40 |
65 |
75 |
75 |
140 |
150 |
175 |
|
H |
10 |
12 |
15 |
20 |
25 |
25 |
35 |
50 |
60 |
|
øI |
60 |
80 |
90 |
115 |
160 |
185 |
230 |
280 |
380 |
|
J |
4 x 9 |
4 x 11 |
4 x 13.5 |
4 x 18 |
4 x 22 |
4 x 26 |
6 x 26 |
6 x 33 |
6 x 45 |
|
øK |
25 |
35 |
40 |
55 |
80 |
90 |
125 |
160 |
210 |
|
øL (PCD) |
42 |
57 |
65 |
85 |
120 |
135 |
175 |
220 |
295 |
1.4 防反转公制螺旋升降机
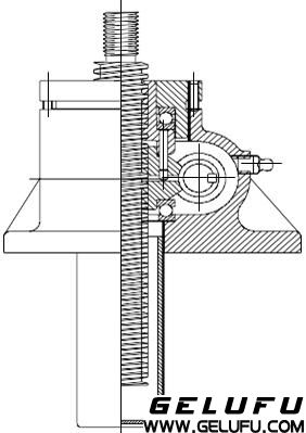
防反转结构可以防止丝杆旋转,而无需在丝杆末端固定。不过,丝杆上的键沟会导致蜗轮内螺纹的磨损超出正常水平。

|
E2624 |
E2500 |
E1801 |
E1804 |
E1809 |
E1819 |
E1829 |
E1849 |
E1899 |
||
|
|
A |
79 |
78 |
125.5 |
159 |
167.5 |
210 |
267 |
** |
** |
|
B |
AA + 9 |
AA + 35 |
AA + 30 |
AA + 20 |
AA + 3 |
AA -1 |
AA + 15 |
** |
** |
|
|
C |
35 |
N/A |
60 |
75 |
90 |
102 |
141.5 |
** |
** |
|
反齿隙
反齿隙选项 可将丝杆与蜗轮螺母之间的轴向齿隙降至实际 低水平。 双螺母承载结构可以做为安全设备,提示蜗轮磨损程度。
