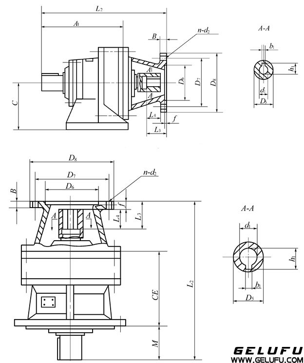
B系列上海变速机械厂标准行星摆线针轮减速机接盘安装外形及安装尺寸
Www.Gelufu.Com 格鲁夫机械 2015-06-18 10:19:27
点击:
B系列上海变速机械厂标准行星摆线针轮减速机接盘安装外形及安装尺寸

|
D5
|
d1公差
|
b1
|
h1
|
L4
|
D6公差
|
D7
|
D8
|
f
|
B
|
n
|
d2
|
L3
|
||||
|
0.25 0.37
|
71
|
37
|
14
|
F7
|
5
|
16.3
|
16
|
110
|
H8
|
130
|
160
|
4
|
12
|
4
|
10
|
30
|
|
0.55 0.75
|
801 802
|
37
|
19
|
6
|
21.8
|
27
|
130
|
165
|
200
|
4
|
12
|
4
|
12
|
40
|
||
|
1.1 1.5
|
90S 90L
|
47
|
24
|
8
|
27.3
|
33
|
130
|
165
|
200
|
4
|
15
|
4
|
12
|
50
|
||
|
2.2 3 4
|
100L 112M
|
55
|
28
|
8
|
31.3
|
41
|
180
|
215
|
250
|
5
|
17
|
4
|
15
|
60
|
||
|
5.5 7.5
|
132S 132M
|
65
|
38
|
10
|
41.3
|
57
|
230
|
265
|
300
|
5
|
18
|
4
|
15
|
80
|
||
|
11 15
|
160M 160L
|
75
|
42
|
12
|
45.3
|
81
|
250
|
G8
|
300
|
350
|
5
|
20
|
4
|
19
|
110
|
|
|
18.5
|
200L
|
105
|
55
|
E7
|
16
|
59.3
|
80
|
300
|
350
|
400
|
6
|
25
|
4
|
19
|
110
|
|
|
22
|
200L
|
105
|
55
|
16
|
59.3
|
80
|
300
|
350
|
400
|
6
|
30
|
4
|
19
|
109
|
||
提交留言